Расчёт и крепление обсадных колонн
Для качественного крепления обсадной колонны выбираем портландцемент ПЦТ-100, процесс цементирования производится в одну ступень.
Определяем водоцементное отношение для облегченного цементного раствора и для цементного раствора по формуле:
;
где rц = 3000 кг/м3 - плотность цемента;
- для облегченного цементного раствора:
- для цементного раствора:
Найдем необходимый объем:
- облегченного цементного раствора:
Vо.ц.р.=
Vо.ц.р.=
м3;
- цементного раствора:
Vц.р.=
Vц.р.=
м3;
- продавочной жидкости:
=(
-
+0,5)×
=(0.0134·2819-0,5+0,5)×1,05=38
,
S=
(0.1461-2·0.0077)2=0.0134
- буферной жидкости:
Объем буферной жидкости должен быть таким, чтобы высота столба его в межколонном пространстве составляла 200-500 м.
=
=4 м3
Объем воды для приготовления:
Vв=
,
где кц –коэффициент запаса тампонажного материала
- для цементного раствора:
кг;
Vв=
м3;
- для облегченного цементного раствора:
кг;
Vв=
м3;
Определим необходимое количество смесительных машин
,
где
- насыпная плотность цемента;
- вместимость одного бункера смесительной машины.
Количество машин для цементного раствора:
Количество машин для облегчённого цемента:
Общее число смесительных машин и цементировочных агрегатов:
nсм=2+3=5 -количество цементно-смесительных машин
nца=1∙nсм+1рез+1вод+1цг=1∙5+1+1+1=8- количество ЦА
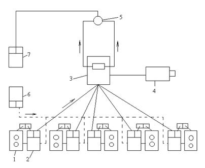
Рисунок 7. Схема обвязки агрегатов при цементировании.
1- цементно-смесительная машина 2СМН-20; 2- цементировочный агрегат ЦА-320М; 3- блок- манифольда БМ-700; 4- станция контроля цементирования СКЦ-2М; 5- цементировочная головка; 6- ЦА для подачи воды; 7- ЦА для начала продавки.
Определим производительность одного смесителя.
где qж=7л/с производительность водяного насоса агрегата ЦА-320.
, для цементного раствора.
, для цементного раствора.
, для облегчённого цементного раствора.
, для облегчённого цементного раствора.
Определим необходимое количество цементировочных агрегатов(ЦА-320М) для закачки цементного раствора.
При цементировании эксплуатационной колонны закачку буферной жидкости осуществляет один агрегат на 4-ой скорости, готовящийся в последствии закачивать нормальный цементный раствор .
Закачку облегченного цементного раствора осуществляем тремя агрегатами на 3-й скорости.
Закачку цементного раствора ведет два агрегата на 4-ой скорости.
Продавочную жидкость начинаем закачивать одним агрегатом(пробочным) на 1-й скорости, затем его отключают и готовят для заканчивания продавки, а вместо него включают 3 имеющихся агрегата на 4-й скорости. Заканчивают продавку пробочным агрегатом на 1-й скорости для определения момента «стоп».
Участие ЦА в процессе цементирования показано на рисунке 8.
Определим продолжительность закачки агрегатом ЦА-320М
Определяется планируемое время цементирования:
сек,
1скорость-Q=2,3л/с
2скорость-Q=4,3л/с
3скорость-Q=8,1л/с
4скорость-Q=14,5л/с
Для закачки используется агрегат ЦА-320М Æ125:
![]()
мин;
мин;
мин;
мин;
åt=tзак+(10÷15)=4.5+7.75+29.4+35.1+(10÷15)=80 мин. - время цем-ния.
Рисунок 8. Участие цементировочных агрегатов в цементировании эксплуатационной колонны.
Следует учесть, что при больших скоростях закачки тампонажного раствора при параллельной работе смесительных машин давление на цементировочной головке может превысить допустимое давление цементировочных агрегатов из-за чрезмерного роста гидравлических сопротивлений внутри обсадной колонны и кольцевом пространстве.
Расчет процесса закачки выполнен на ЭВМ и прилагается к курсовому проекту.
6. Обоснование способа контроля качества цементирования
Для определения глубины кровли тампонажного камня и наличия плотного контакта между камнем, обсадной колонной и стенками скважины широко применяется способ акустической цементометрии (АКЦ). При акустической цементометрии измеряют амплитуды звуковых волн, распространяющихся от спущенного в скважину источника по обсадной колонне и по горным породам, в разных точках по глубине. Амплитуда колебаний, распространяющихся по колонне, окруженной промывочной жидкостью, значительно больше амплитуды на том участке, где она плотно прижата к камню, а амплитуда сигнала, прошедшего по горным породам, тем больше, чем плотнее контакты между колонной, камнем и стенками скважины.
