Методы измерений
Для определения давления находят также применение методы, основанные на зависимости от давления различных физических свойств жидкостей и газов и протекающих в них процессах. При этом были использованы результаты исследований влияния давления на плотность и вязкость, диэлектрическую проницаемость, скорость распространения ультразвука, теплопроводность и другие свойства измеряемой среды.
В области высоких и средних давлений указанные методы широкого распространения не получили в связи с их относительной сложностью и трудоемкостью по сравнению с другими методами (применение манганинового манометра сопротивления в области высоких давлений, прямые методы измерений в области средних давлений).
В области вакуумных измерений указанные методы применяются практически повсеместно. Зависимость теплопроводности разреженного газа от давления используется в тепловых и термопарных манометрах; зависимость тока положительных ионов от измеряемого давления — в ионизационных манометрах. Используется также зависимость от давления вязкости газа, кинетической энергии молекул, концентрации молекул и пр.
Наибольшее распространение в вакуумной технике (около 70 %) получили термопарные и ионизационные манометры.
Термопарный манометр (рис. 11, а) так же, как и тепловой, основан на зависимости теплопроводности разреженного газа от давления. Манометр содержит стеклянную или металлическую колбу 3, в которой помещены нагреватель 1 к впаянная в него термопара 2. Нагреватель питается от источника переменного тока, и его температура, а следовательно, и температура термопары, определяется теплоотдачей в окружающий разреженный газ. Чем меньше давление газа, тем меньше его теплопроводность и тем больше температура, а следовательно, ЭДС на выходе термопары, которая и является мерой измеряемого давления. Шкала прибора 4 для измерения ЭДС градуируется, как правило, в единицах давления. Данный принцип наиболее эффективен при давлениях от 0,1 до 100 Па. При давлениях, меньших 0,1 Па, все большая доля тепла передается излучением, а при давлениях, больших 100 Па, увеличение теплопроводности газа резко замедляется. В обоих случаях существенно уменьшается чувствительность прибора. Погрешность измерений составляет 10—30 %. На градуировочную характеристику существенно влияет состав газа. Поэтому для уточнения показаний термопарного манометра необходима индивидуальная градуировка.
Принцип действия ионизационного манометра основан на зависимости от давления тока положительных ионов, образованных в результате ионизации разреженного газа. Ионизация газа осуществляется электронами, ускоряемыми электрическим или магнитным полями, а также посредством излучения радиоизотопов. При одном и том же количестве электронов, пролетающих через газ, или постоянной мощности излучения степень ионизации газа пропорциональна концентрации его молекул, т. е. измеряемому давлению
Рис. 11. Термопарный манометр
В простейшем случае наиболее употребим ионизационный манометр с горячим катодом (рис. 11 ,б), содержащий стеклянную колбу 2, в которую впаяны анод 1 и катод 3. Благодаря разогреву катода источником постоянного тока 4, его поверхность испускает электроны, которые разгоняются напряжением Uа между катодом и анодом и ионизируют находящийся между ними газ. Сила тока положительных ионов, измеряемая гальванометром 5, является мерой измеряемого давления
p=k ·i+/i-, (10)
где k — постоянная, зависящая от конструкции прибора и состава газа. Для увеличения степени ионизации между катодом и анодом помещена сетка, на которую подается напряжение, сообщающее дополнительное ускорение потоку электронов. Манометры этого типа охватывают диапазон от 10-7 до 1 Па, дополняя диапазон измерений термопарного манометра. Погрешности измерений составляют также 10—30 %.
Глава 3.Датчик для измерения избыточного давления Метран-43-ДИ
(Модель 3163)
• Измеряемая среда: жидкость
• Верхний предел измерения 16 МПа
• Характеристика - линейная
• Предел допускаемой основной
приведенной погрешности ±0,25;±0,5%
• Питание от источника постоянного тока
• Температура окружающей среды -30 .+500С
• Степень защиты датчика от воздействия пыли и воды
IP55 по ГОСТ 14254
• Виброустойчивое исполнение V1 и V2 по ГОСТ 12997
• Коррозионностойкие материалы
• Диапазоны измерений перенастраиваются
• Контроль выходного сигнала без разрыва сигнальной цепи
• Внесен в Госреестр в качестве средства измерения под № 13576-93
Датчик для измерения избыточного давления Метран-43-ДИ предназначен для преобразования избыточного давления в стандартный токовый выходной сигнал дистанционной передачи в системах автоматического контроля, регулирования и управления технологическими процессами.
Датчик обеспечивает:
- высокую точность преобразования,
- стойкость к вибро- и гидроударам,
- долговременную стабильность сигнала.
Характеристика - линейная возрастающая или линейная убывающая.
Наибольшее отклонение действительной допускаемой основной приведенной погрешности
характеристики от номинальной статической характеристики ± γ 0,2; 0,4 для предела допускаемой
основной приведенной погрешности ±0,25%; ±0,5% соответственно.
Вариация (гистерезис) не превышает абсолютного значения
предела допускаемой основной приведенной погрешности (γ).
Дополнительная погрешность датчика, вызванная изменением температуры окружающего воздуха в рабочем диапазоне температур на каждые 10ºС, не превышает:
γ = 0,2+0,05· Рmax , %
Р1
- для датчиков с пределом допускаемой основной приведенной погрешности γ = ±0,25%;
γ = 0,4+0,1· Рmax , %
Р1
- для датчиков с пределом допускаемой основной приведенной погрешности γ = ±0, 5%;
Рmax - максимальный верхний предел измерений для данной модели датчика;
Р1 – действительное значение верхнего предела измерений
Пульсация выходного сигнала не более 0,25% от диапазона изменения выходного сигнала.
Электрическое питание датчика осуществляется напряжением (36±0,72) В постоянного тока.
Мощность, потребляемая датчиком, не более 1,0 В. А.
Детали измерительного блока изготовлены из стали 12X18Н1 ОТ по ГОСТ 5632.
Материал мембраны - сплав 36НХТЮ по ГОСТ 5632; уплотнительных колец - специальная резина, фторопласт.
Корпус преобразователя электронного изготовлен методом литья под давлением из алюминиевого сплава, не содержащего медь. Защитное покрытие: эмаль МЛ-12 ГОСТ 9754.
Датчики снабжены устройством, позволяющим перенастраивать их на любой из пределов измерений для данной модели.
Масса датчика модели 3163 – 2,5 кг. Не более.
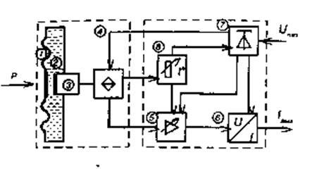
Схема датчика:
Принцип действия:
Давление рабочей среды воздействует на разделительную мембрану 1 и через жидкость 2 вызывает деформацию чувствительного элемента, прочно скрепленного с мембраной тензопреобразователя 3 . Чувствительный элемент -кристалл сапфира с кремниевыми пленочными тензорезисторами (структура КНС). Тензорезисторы соединены в мостовую схему 4. Деформация измерительной мембраны приводит к пропорциональному изменению сопротивления тензорезисторов и разбалансу мостовой схемы. Электрический сигнал с выхода мостовой схемы поступает в дифференциальный усилитель электронного блока 5. Встроенный в усилитель регулятор коэффициента усиления обеспечивает перенастройку диапазонов измерений. Усиленный сигнал преобразуется в унифицированный токовый в преобразователе 6 . Питание всех звеньев электрической схемы датчика осуществляется через узел питания 7. Устройство термокоррекции 8 компенсирует влияние температурных воздействий на тензомост.
