Проектирование 16-ти этажного 2-х секционного жилого дома в ЕйскеРефераты >> Строительство >> Проектирование 16-ти этажного 2-х секционного жилого дома в Ейске
Принципиальная схема защитного заземления.
Ro – заземление нулевой точки трансформатора
ПП – пробивной предохранитель
Rз – заземляющее устройство
Rиз – сопротивление изоляции
Uпр –напряжение прикосновения
Jз – ток замыкания на землю
Jчел – ток протекающий через человека
1 – плавкие вставки
2 – электродвигатель
3 – график распределения потенциалов на поверхности земли
Рассчитаем систему защитного заземления при мощности питающего трансформатора 750 кВА, схема соединения обмоток трансформатора – звезда, электродвигатель асинхронный, серии 4А, U = 380 B, n = 3000 мин , 4А132М2.
Грунт–суглинок с удельным электрическим сопротивлением r=100 Ом
м ,
Вкачестве заземлителей приняты стальные трубы диаметром d=0,08 м и длиной l=2,5 м , распологаемые вертикально и соединенные на сварке стальной полосой 40х4 мм.
Требуемое по нормам допускаемое сопротивление заземляющего
устройства
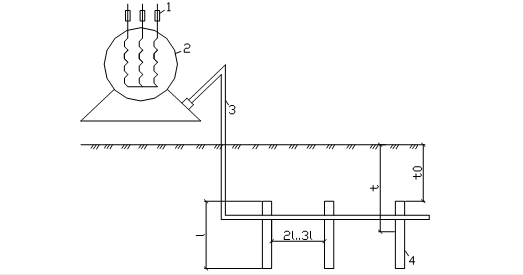
Схема заземляющего устройства .
1 – плавкие вставки
2 – электродвигатель
3 – соединительная полоса
4 – трубчатый заземлитель
rрасч=r
y ,
где y - коэффициент сезонности , учитывающий возможность повышения сопротивления грунтав течении года.
l – длина полосы ,
t – расстояние от полосы до поверхности земли
коэффициент использования вертикальных заземлителей
коэффициент использования горизонтального полосового электрода , соединяющего вертикальные электроды групового заземлителя
n – число одиночных стержневых заземлителей
![]()
![]()
< 4 Ом*м
Окончательно принимаем: 18 заземлителей в виде стальных трубок диаметром d=0,08 м и длиной l=2,5 м , распологаемых вертикально и соединенных на сварке стальной полосой 40х4 мм.
Литература по разделу «Охрана труда»
1. Справочник строителя. «Инженерные решения по охране труда в строительстве». Москва Стройиздат 1985г.
2. В.А.Пчелинцев, Д.В.Коптев, Г.Г.Орлов. «Охрана труда в строительстве».
3. СНиП III-4-80 «Техника безопасности в строительстве».
4. СНиП 21-01-97 «Противопожарные нормы».
5. ГОСТ 12.1.046-85 «Нормы освещения строительных площадок».
