Компоновка сборного железобетонного перекрытияРефераты >> Строительство >> Компоновка сборного железобетонного перекрытия
Рис. К расчёту плиты ребристого монолитного перекрытия
В средних пролётах и на средних опорах
кНсм
В первом пролёте
кНсм
На первой промежуточной опоре
кНсм
Средние пролёты плиты окаймлены по контуру монолитно связанными с ними балками и под влиянием возникающих распоров изгибающие моменты уменьшаются на 20%, если
условие не соблюдается и момент на средней опоре не надо уменьшать на 20%.
6.2.2 Подбор сечений продольной арматуры
В средних пролётах и на средней опоре
см
кНсм
αm=
Из таблицы находим η=0,945
Аs=
см2
Принимаем сетку 8Æ6 АI -
см2 и соответствующую сетку с шагом 100-200 мм в продольном и поперечном направлении.
В первом пролёте
кНсм
αm=
Из таблицы находим η=0,92
Аs=
см2
Принимаем сетку 9Æ6 АI -
см2 и соответствующую сетку с шагом 100-200 мм в продольном и поперечном направлении. На первой промежуточной опоре. Сечение работает как прямоугольное.
кНсм, αm=
Из таблицы находим η=0,935
Аs=
см2
Принимаем сетку 6Æ8 АI -
см2 - две гнутые сетки по 3Æ6 в каждой.
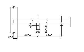
6.3. Расчёт многопролётной второстепенной балки
6.3.1 Расчётный пролёт и нагрузки
Расчётный момент второстепенной балки равен расстоянию в свету между главными балками для средних пролётов.
м
где
мм - ширина сечения главной балки.
В крайних пролётах
м
где
мм - величина опирания на стенку второстепенной балки.
Расчётные нагрузки на 1 м длины второстепенной балки. Постоянная от веса плиты и пола
кН/м.; постоянная для балки сечением 20х40
кН/м.; с учётом ![]()
кН/м.; временная с учётом коэффициента ![]()
кН/м.; полная
кН/м.
Рис. К расчёту второстепенной балки
6.3.2 Расчётные усилия
Изгибающие моменты балки определяем как для многопролётной неразрезной балки с учётом перераспределения моментов.
В средних пролётах и на средних опорах
кНсм
В первом пролёте
кНсм
На первой промежуточной опоре
кНсм
Отрицательный момент во втором пролёте на расстоянии ![]()
от опоры определяется по формуле
где
- коэффициент определяемый в зависимости от отношения
можно принять равным 40% от момента на промежуточной опоре.
кНсм.
Поперечные силы:
на крайней опоре
кН
на первой промежуточной опоре
кН
справа от опоры
кН
6.3.3 Определение высоты балки
Высоту сечения определяем по опорному моменту при
, поскольку на опоре момент определяют с учётом образования пластического шарнира. Находим
. На опоре момент отрицательный - полка ребра в растянутой зоне. Сечение работает как прямоугольное с шириной ребра
см.
см
см
Принимаем
см,
см,
см.
В пролётах сечение тавровое с полкой в сжатой зоне. Расчётная ширина полки при
равна
см.
6.3.4 Расчёт прочности по сечениям нормальным к продольной оси
Сечение в средних пролётах и на средних опорах
кНсм
αm=
Из таблицы находим
η=0,99; ![]()
![]()
см
Нейтральная ось проходит в полке.
Аs=
см2
Принимаем 2Æ28 АI -
см2. В первом пролёте
кНсм, αm=
