Компоновка сборного железобетонного перекрытияРефераты >> Строительство >> Компоновка сборного железобетонного перекрытия
4.2 Определение расчётной продольной нагрузки на колонну
Грузовая площадь равна
м2
Собственный вес колонны сечением 40х40 и длиной 3,6 м с коэффициентом надёжности
=15,84
От покрытия
длительная
кН
кратковременная
кН
От перекрытия
длительная
кН
кратковременная
кН
4-й этаж
кН
кН
кН
3-й этаж
кН
кН
кН
2-й этаж
кН
кН
кН
1-й этаж
кН
кН
кН
4.3 Определение изгибающих моментов колонны от расчётной нагрузки
Находим при вычисленных размерах ригеля 75х25 см и сечении колонны 40х40.
Отношение погонных жесткостей, вводимых в расчёт.
Определяем максимальные моменты колонны при загружении 1+4 без перераспределения моментов. g=41,5
, временная ![]()
, длительная ![]()
, кратковременная ![]()
При длительной нагрузке
кНм;
кНм.
При полной нагрузке
кНм.
кНм
Разность абсолютных значений опорных моментов в узле рамы от длительных нагрузок
кНм, от полной нагрузки
кНм.
Изгибающие момента колонны подвала от длительных нагрузок
кНм, от полной,
кНм.
Изгибающие момента колонны 1-го этажа от длительных нагрузок
кНм, от полной,
кНм
4.4 Расчёт прочности колонны первого этажа
кН;
кНм,
кНм. Задаёмся j=1, m=0,025. Предварительно определяем сечение колонны
см2
Сечение колонны принимаем 40х40 с площадью поперечного сечения 1600 см2
Рабочая высота сечения
см
Эксцентриситет силы
см, случайный эксцентриситет
см.
см. Для расчёта принимаем е=6,94 см. Момент относительно растянутой арматуры при длительной нагрузке
кНм
при полной нагрузке
кНм
Определяем гибкость колонны при радиусе инерции
>14 см
Для вычисления критической силы находим
- для тяжёлого бетона
,
d<dmin ®принимаем d=0,295
; m=0,025
Вычисляем критическую силу по формуле
Вычисляем коэффициент h
,
см
Определяем граничную высоту сжатой зоны
>
где
>
Определяем площадь армирования
Принимаем 4Ø36 Аs=40,72 см2 Коэффициент армирования
для расчёта брали μ=0,025
→ решение можно считать найденным.
Поперечную арматуру принимаем d=8 мм.
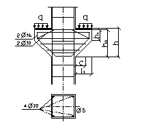
4.5 Расчёт консоли колонны
Размеры площадки консоли колонны определяются от опорного давления ригеля и составляет Q=274,75 кН.
Рис. К расчёту консоли колонны
Принимаем l=20 см, при bр=25 см.
=11,5
