Компоновка сборного железобетонного перекрытияРефераты >> Строительство >> Компоновка сборного железобетонного перекрытия
Вылет консоли с учётом зазора принимаем l1=27 см
Высоту сечения консоли у грани колонны принимают равной
, при угле наклона сжатой грани g=45° высота консоли у свободного края
. Рабочая высота сечения консоли
. Поскольку
®консоль короткая.
Рассчитываем армирование консоли. Консоль армируется продольной и поперечной арматурой. Изгибающий момент у грани колонны
кНм. Расчётный изгибающий момент принимаем на 25% больше
кНм.
Для определения площади продольной арматуры находим
αm=
Из таблицы находим η=0,975
Аs=
см2
Принимаем 2Æ16 АIII с
см2
Консоль армируют горизонтальными хомутами Æ6 АI с
см2, с шагом S=10 см (при этом
см и
) и отгибами 2Æ16 AIII As=4,02 см2.
Проверяем прочность сечения консоли по условию
;
;
.
![]()
®прочность обеспечена.
4.6 Расчёт стыка колонны
Рассчитываем стык колонны между первым и вторым этажом. Колонны стыкуют сваркой стальных листов между которыми устанавливаются при монтаже центрирующая прокладка толщиной 5 мм. Расчётное усилие в стыке принимаем по усилиям второго этажа N=1794,71 кН. Концы колонны усиливают сварными сетками косвенного армирования, т.к продольная арматура колонн в зоне стыка обрывается. Сварные сетки из арматуры класса АI ds=6 мм. Количество сеток не менее 4-х штук.
Находим коэффициент косвенного армирования
где
- соответственно количество стержней, площадь сечения и длина стержня вдоль осей х и у (т.е. в продольном и поперечном направлении)
Назначаем размеры ячеек сетки колонны. При размерах сечения
шаг сеток должен удовлетворять соотношению
. При
шаг (
мм) принимаем равным s=60 мм. Число стержней
, длина стержня (считая выступы по 10 мм) равна
при этом
см2. площадь сечения одного стержня d=6мм
см2, при шаге s=10см=100 мм косвенный коэффициент армирования равен:
Рис. Конструкция стыка колонны
Коэффициент эффективности косвенного армирования
где
®
Приведённая призменная прочность бетона
![]()
Площадь сечения смятия площадки (пластинки) определяется из условия прочности на смятие
®
см2.
Для квадратной пластинки
см,
принимаем пластинку размером 13х13х0,5 см.
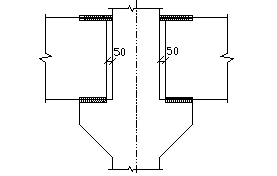
4.7 Расчёт стыка ригеля с колонной
Рис. Стык ригеля с колонной
Рассматриваем вариант бетонированного стыка ригеля с колонной, в этом случае изгибающий момент на опоре воспринимается соединительными стержнями в верхней растянутой зоне и бетоном, заполняющим полость между торцом ригеля и колонной. Принимаем для замоноличивания бетон класса B20, стыковые стержни из арматуры АIII. Изгибающий момент ригеля на грани колонны М=506,2 кН. Ригель сечением 75х25 см, рабочая высота сечения
.
αm=
Из таблицы находим η=0,71. Площадь сечения стыковых надопорных стержней
Аs=
см2
Принимаем арматуру 4Æ32
см2.
Определяем длину сварных швов стыковых стержней к закладным деталям ригеля. Усилие растяжения в стыке равно:
кН.
Требуемая суммарная длина сварных швов при высоте катета сварного шва
мм,
где
- диаметр стыковых стержней
Расчётное сопротивление сварных швов
![]()
составит
где 1,3 вводится для обеспечения надёжной работы сварных швов в случае перераспределения опорных моментов вследствие пластических деформаций. При 4-х стыковых стержнях и двусторонних швах длина каждого шва составит:
см
Конструктивное требование
см, принимаем
.
Находим длину стыковых стержней (складывается из размера сечения колонны, двух зазоров между колонной и торцами ригелей и 2-х длин сварных швов).
