Сварочные работы в строительствеРефераты >> Технология >> Сварочные работы в строительстве
|
|
|
|
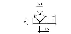
Рис.3.11. Форма образца для испытания металла на технологическую прочность по методике МВТУ. | |
При появлении трещин в шве дальнейшая деформация образца способствует их раскрытию до отчетливо видимых размеров. При отсутствии трещин металл шва деформируется пластично до конца испытаний. Меняя скорость растяжения образца при всех прочих равных условиях, можно найти критическую скорость растяжения образца, превышение которой вызывает появление трещин. Эта критическая скорость- Акр принята в качестве показателя сопротивляемости металла шва образованию горячих трещин при сварке. Наличие трещин устанавливают обычно внешним осмотром.
Холодные трещины возникают при низких температурах (ниже 400-300°) в результате структурных превращений в металле шва и околошовной зоны. Эти трещины внутрикристаллические. Их появление связано с фазовыми и структурными превращениями, продуктами которых являются хрупкие структуры типа мартенсита (НБ = 500-600).
Причинами появления холодных трещин являются: концентрация водорода; концентрация углерода и легирующих элементов, вызывающая закалку и местные структурные напряжения; растягивающие напряжения от неравномерного нагрева и остывания; загрязнение металла фосфором; дефекты швов; объемно-напряженное состояние.
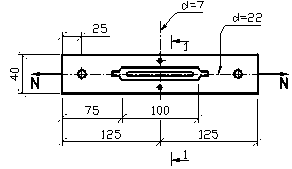
Для определения стойкости стали против образования холодных трещин применяют специальные пробы. На образец, изготовленный из испытываемой стали (рис. 3.12), вручную или полуавтоматом наваривают валик. После остывания из образца вырезают темплеты шириной b = 8-10мм, на боковых гранях которых приготовляют микрошлифы. После этого определяют наличие трещин в околошовной зоне, по которым и оценивают стойкость металла против образования трещин. Имеется ряд других проб на стойкость против образования холодных трещин.
|
|
|
Рис.3.12. Образец для определения стойкости металла против образования холодных трещин. |
4. Свариваемость строительных сталей
Важным технологическим свойством металлов является их свариваемость, т.е. способность давать качественное при сварке неразъемное соединение с заданными свойствами. Рассмотрим влияние химического состава строительных сталей на их свариваемость. По содержанию углерода углеродистые стали разделяются на малоуглеродистые (С
0,25%), среднеуглеродистые (С =0,25÷0,6%) и высокоуглеродистые (С > 0,6%).
Малоуглеродистые стали, применяемые в строительстве, хорошо свариваются. С увеличением содержания углерода свариваемость стали ухудшается, повышается склонность к закалке и образованию трещин в швах и околошовной зоне. Применяют в строительстве и низколегированные стали с содержанием углерода не более 0,23%. Эти стали по свариваемости мало отличаются от малоуглеродистых. При содержании легирующих элементов в количествах, не превышающих соответственно: 0,3%Si;0,8% Mn и 0,8%Cr - не ухудшается свариваемость сталей; при большем их к-ве свариваемость ухудшается. Ухудшают свариваемость сера S, фосфор Р, никель Ni, медь Cu, молибден Mo и ванадий V.
Ориентировочно свариваемость этих сталей определяют по суммарному содержанию легирующих элементов в процентах, приведенных к эквиваленту углерода:
где вместо символа элемента подставляют его процентное содержание в данной марке стали.
Сталь считают хорошо сваривающейся при Сэ≤0,45%. При Сэ>0,45% свариваемость ухудшается, и для получения качественного сварного соединения требуются специальные меры (предварительный подогрев, отжиг после сварки или другой вид термообработки).
При автоматической сварке сталь с Сэ >0,45% иногда хорошо сваривается и без применения специальных мер.
Более точно свариваемость стали определяют по следующим основным показателям, характеризующим ее свойства:
1) структура шва и околошовной зоны, их твердость;
2) стойкость металла шва против образования горячих трещин;
3) стойкость металла шва и околошовной зоны против образования
холодных трещин;
4) прочность, пластичность и вязкость сварных соединений в исходном состоянии, после термообработки и после старения;
5) свойства сварных соединений, обусловленные эксплуатационными требованиями (износостойкость, стойкость против коррозии, хладноломкость, выносливость и пр.)
Из этих показателей определяют те, которые имеют решающее значение для данной конструкции.
Оценка свариваемости специальными испытаниями. Высокая температура нагрева и небольшая скорость охлаждения способствуют перегреву стали и росту зерна. Быстрое охлаждение приводит к образованию закалочной структуры (мартенсита), повышая твердость и ухудшая вязкость и пластичность сварного соединения. При наличии в низколегированной стали
50% мартенсита наблюдается резкое увеличение твердости и склонности к образованию трещин. Поэтому подбирают режим сварки так (погонную энергию), чтобы в шве и околошовной зоне было не более 30-50% мартенсита. При оптимальном значении погонной энергии достигаются максимальные величины пластичности и вязкости.
Характерным и приближенным показателем свариваемости является твердость околошовной зоны. При НБ
300 сварка может выполняться без предварительного подогрева. В противном случае подогрев необходим.
Для оценки свариваемости стали и подбора оптимального режима сварки существует несколько проб, из которых наиболее распространена валиковая проба по методике МВТУ им. Баумана. На вырезанные из испытуемой стали вдоль проката девять пластин наплавляют валики, применяя четыре-шесть различных погонных энергий сварки (рис.3.13). Далее из пластин изготовляют образцы и определяют ударную вязкость, критическую температуру хрупкости, величину зерна, структуру и твердость околошовной зоны. Эти показатели позволяют судить о свариваемости данной стали. По лучшим показателям определяют рациональный режим сварки. Прочность, пластичность, вязкость и другие свойства определяют механическими испытаниями сварных стандартных образцов (рис.4.1).
|
|
|
Рис. 4.1. Пластина для испытания на свариваемость (валиковая проба по методике МВТУ) |
