Сварочные работы в строительствеРефераты >> Технология >> Сварочные работы в строительстве
После раздвижки (на 3-5мм) электродов ток не исчезнет, но уменьшится. Вызванный поток электронов вызывает ионизацию газа в межэлектродном зазоре и возникновение дугового разряда. В дуговом промежутке происходят сложные процессы. По пути от катода к аноду электроны сталкиваются с нейтральными частицами воздуха. Вследствие удара и других причин происходит ионизация воздуха: образуются новые катионы и ионы. Положительные ионы, обладающие большой массой и образующие мощный поток, бомбардируют катод, а отрицательные частицы – анод (рис.2.1, б).
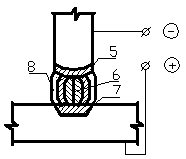
В электрической дуге, питающейся постоянным током и горящей между двумя электродами, различают три основных участка - катодную область, столб дуги и анодную область (рис.2.1.в). Дуга окружена ореолом пламени, представляющим собой раскаленную газообразную смесь паров металлов и продуктов их реакции с окружающей средой. Наличие ярко светящегося катодного пятна объясняется многими причинами, одной из главных является бомбардировка ионами. Благодаря свечению катод долгое время сохраняет эмиссию, которая прекратится в противном случае. На катодном пятне весьма велика плотность тока (при
I = 300-400 A). На аноде существует анодное пятно, не играющее существенной роли. При бомбардировке его электронами и отрицательными ионами энергия их движения превращается в тепловую.
|
а) |
б) |
в) |
|
Рис. 2.1. Схема процесса зажигания дуги и ее строение: | ||
|
а – короткое замыкание; б – ионизация воздуха; в - установившаяся сварочная дуга; 1 – электрод (катод); 2 – анод (изделие); 3 – электроны; 4 – ионы; 5 – катодная область; 6 – столб дуги; 7–анодная область; 8–ореол | ||
В процессе сварки на основном металле (аноде) образуется углубление, называемое кратером. Расстояние между концом электрода и дном кратера называют длиной дуги lд. Причины образования кратера не очень ясны и на этот счет существует три гипотезы.
Согласно первой гипотезы кратер образуется под действием магнитного поля дуги. Другая гипотеза объясняет кратер давлением газов и паров, образованных при большой температуре. Третья гипотеза – каждая капля испаряется, разлетаясь подобно ракете в разные стороны.
Расстояние от поверхности металла до дна кратера – глубина проплавления – h.
При горении дуги электропроводность столба дуги увеличивается за счет паров металла, нагретого газа, автоэлектронной эмиссии (высокая напряженность электрического поля) и других процессов. Изменение электропроводности столба дуги оказывает решающее влияние на величину тока и напряжение электрической дуги. Напряжение на дуге равно сумме падений напряжений в трех основных областях (рис.2.2).
|
|
Рис.2.2. Напряжение дуги: Uд = Uк +Uс +Uа Uд – напряжение на дуге, В; Uк – падение напряжения на катоде, В; Uс – то же в столбе дуги; Uа – то же на аноде |
Зависимость напряжения дуги от силы сварочного тока называется статической вольт-амперной характеристикой дуги. В общем виде статическая характеристика имеет вид (рис. 2.3). При малых значениях Icв в электроде (обл. I) статическая хар-ка дуги падающая (отрицательная).
|
|
Рис. 2.3. Статическая вольт-амперная характеристика дуги Iсв – сварочный ток, А; Uд – напряжение дуги, В; I, II, III – соответственно падающая (отрицательная), жесткая, возрастающая (положительная) характеристики |
При средних значениях силы тока (ручная и автоматическая сварка под флюсом) напряжение в дуге не зависит практически от силы тока (обл. II, так называемая жесткая характеристика). В этом случае достаточно точно статическая вольт-амперная характеристика может быть выражена аналитически:
,
где lд – длина дуги, мм;
А (вольты) и В (В/мм) – постоянные коэффициенты, зависящие от материала электродов, давления и свойств газовой среды.
Из этого уравнения следует, что при прочих равных условиях, напряжение на дуге будет зависеть от длины дуги (рис.2.3). Из рис. 2.4 видно, что с возрастанием тока – Iсв до (30-50)А – напряжение падает резко, а далее остается почти постоянным. В момент зажигания дуги для ионизации газа требуется напряжение (30-60)В, а при установившемся режиме дуги требуется в 1,5-2 раза меньшее. Напряжение горения дуги при токах более (50-60) А не зависит от силы тока, а только от длины дуги, изменяясь пропорционально ей.
|
|
Рис. 2.4. Зависимость статической вольт-амперной характеристики от длины дуги
Возрастающая (положительная) вольт-амперная характеристика дуги (обл.Ш) (рис.2.3) получается при большой силе тока (при автоматической сварке под флюсом или при сварке в среде защитных газов).
|
|
Электрический режим дуги переменного тока обладает рядом особенностей. Характер изменения I и U в электрической дуге переменного тока выражается кривыми (рис.2.5). Если кривая I почти не искажается, то кривая U искажена резко.
Рис. 2.5 Электрический режим дуги, питающейся переменным током
t – время восстановления дуги, с
Здесь t – время восстановления дуги, т.е. время необходимое для восстановления напряжения от 0 до U зажигания дуги. Чем меньше t, тем спокойнее и устойчивее горит дуга. С повышением напряжения уменьшается время восстановления дуги (рис.2.6,а) (U1>U2; t1<t2), но напряжение не должно превышать безопасных значений для промышленной частоты (70-80 B). Условия зажигания дуги (рис. 2.6,б) переменного тока очень зависят от сдвига фаз между U и I. Угол сдвига фаз должен быть таким, чтобы в момент перехода тока через нулевое значение напряжение трансформатора U достигало напряжения зажигания дуги Uд.
Отклонения дуги. На дугу, являющуюся гибким проводником тока, действуют различные факторы, отклоняя ее от прямолинейного направления. Это отклонение, особенно заметное при сварке на постоянном токе большой силы, получило название магнитного дутья. Особенно большой силы оно достигает при токах 300-400 А. На появление магнитного дутья влияют: сила сварочного тока, взаимодействие магнитных полей вокруг электрода и изделия, неуравновешенные ферромагнитные массы, расположение токоподвода к изделию, зазоры между свариваемыми деталями, угол наклона электрода к изделию, воздушные потоки и др. факторы.
|
а) |
б) |
|
|
|
|
Рис. 2.6 | |
|
а – зависимость времени зажигания дуги t от напряжения дуги; б – угол сдвига фаз «y» при питании дуги переменным током; | |
