Сварочные работы в строительствеРефераты >> Технология >> Сварочные работы в строительстве
1.3 Характеристика основных способов сварки
1.3.1. Сварка давлением
Сварка давлением включает следующие способы: холодная сварка, ультразвуковая сварка, кузнечно-горновая, газопрессовая (с последовательным нагревом или с одновременным нагревом), электрическая контактная сварка (стыковая, точечная, шовная), индукционная сварка (при наличии газовой атмосферы или диффузионная в вакууме), термитная давлением и др.
а) Холодная сварка. Две тщательно очищенные у стыка пластины обжимают шайбами, исключающими выпучивание при деформации (дет.1), затем вдавливают пуансоны из твердого металла. При этом металл пластин сильно деформируется и течет вблизи поверхностей раздела. Ювенильные поверхности войдут в соприкосновение и между ними возникнут межатомные силы сцепления. При таком способе степень деформации зависит от свойств металла, свойств пленок окислов и схемы деформирования, а также глубины вдавливания пуансонов. Этот способ применим для пластичных металлов (Al, Cu, Ag, Ni) при соединениях внахлестку и встык (рис. 1.3)
|
а) |
б) |
|
|
|
|
Рис. 1.3. Холодная сварка: | |
|
а – процесс деформирования; б – сварное соединение; 1 – свариваемые детали; 2 – обжимные шайбы; 3 – пуансоны; 4 – зубки пуансонов; 5 – углубление в деталях вследствие пластического деформирования | |
б) Ультразвуковая сварка. Разрушение поверхностных окисных пленок и проявление межатомных сил сцепления может произойти при местной деформации поверхностей в месте контакта при введении в металл ультразвуковых колебаний (рис.1.4).
|
а) |
б) |
|
|
|
|
Рис. 1.4. Ультразвуковая сварка: | |
|
а – процесс постановки точки; б – сварное соединение; 1–генератор колебаний; 2–пуансон; 3–свариваемые детали; 4–опора; 5–сварное соединение. | |
Генератор 1, дающий частоту 8-15 кГц, и пуансон 2 приводят к разрушению окислов, некоторому местному повышению Т (~350°С) и свариванию. Таким способом сваривают при точечной и шовной контактной сварке тонкие листы (0,05-0,6мм) или тонкие с толстыми.
в) Кузнечно-горновая сварка. Это самый древний способ, имеющий сейчас ограниченное применение. После разогрева в горне металла до температуры сварочного жара (1100-1300°) осуществляют сварочную операцию ручной или механизированной проковкой. Очистка окислов производится механическим способом и флюсованием (для оставшихся) – бура Na2B4O7, поваренная соль NaCl, речной песок SiO2.
г) Газопрессовая сварка. Принцип газопрессовой сварки аналогичен кузнечно-горновой с использованием для нагрева пламени газообразных горючих. Осуществляется как с последовательным нагревом от участка к участку с соответствующей их проковкой или статическим сдавливанием (чаще продольные швы, газовое пламя Т=1800°С) так и с одновременным нагревом сечения свариваемых элементов и их последующим одновременным сдавливанием (кольцевые швы, ацетилено-кислородное пламя, Т =3000°С).
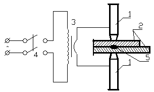
д) Электрическая контактная сварка. Этот способ сварки один из самых важных и используется преимущественно в массовом иди серийном производстве однотипных изделий. Этот способ основан на разогреве металла проходящим по нему током. Количество выделяемого в металле тепла определяется законом Джоуля-Ленца:
Q=0,24·I·U·t=0,24·I2·R·t,
где Q – кол-во тепла, кал; I – сила тока, А; U – напряжение, B; R – сопротивление, Ом; t – время, сек.
В последовательной цепи на участке большего сопротивления (место контакта деталей) выделяется и большее количество тепла. Выбором соответствующей мощности для различных деталей можно обеспечить их быстрый нагрев (0,003÷10 сек.) и сварку последующим обжатием. При этом, ввиду большой электропроводности и малого удельного сопротивления металлов необходимо пользоваться большими токами – до нескольких тыс., даже десятков тыс., ампер при очень малом напряжении (U = I·R, U ≈ 2-6 вольт). Обычно используют переменный ток с применением силовых понижающих трансформаторов с регулятором.
Контактная сварка подразделяется на несколько видов, причем электрическая часть машины во всех случаях примерно одинакова. Основные способы: стыковая, точечная и шовная контактная сварка, а также рельефная.
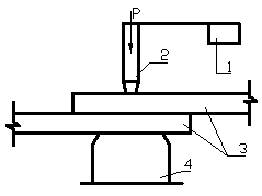
Стыковая сварка осуществляется по двум схемам: сварка сопротивлением и сварка оплавлением. При сварке сопротивлением свариваемые детали 1 соосно зажимают в неподвижном (2) и подвижном (3) устройствах машины. Под некоторым давлением они приводятся в контакт друг с другом и включением трансформатора (4) через контактор (прерыватель) 5 обеспечивается замыкание цепи. После нагрева до температуры сварки (сварочного жара) давление увеличивается до осадочного - происходит пластическое деформирование нагретого металла для осуществления сварки (рис.1.5).
|
|
|
Рис. 1.5. Контактная стыковая сварка: |
|
1 – свариваемые детали; 2 – подвижный электрод; 3 – неподвижный электрод; 4 – сварочный трансформатор машины; 5 – контактор (прерыватель) |
При сварке оплавлением напряжение на детали подается, когда между ними зазор. При медленном сближении элементов 1 появляется контакт между отдельными точками торцов, приводящий к оплавлению всей поверхности. В нужный момент контактором 5 выключают ток и нагретые поверхности сдавливают. При этом выдавливается расплавленный металл, и твердые (в пластическом состоянии) нагретые объемы металла свариваются. Таким способом сваривают стержни, трубы, полосы, рельсы, звенья цепей и т.д.
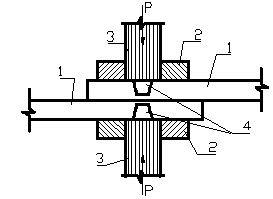
Точечная сварка. Применяется для соединения деталей внахлестку t ≤ 5-6мм. Детали зажимают между двумя электродами с выпуклой поверхностью до контакта, включают контактором трансформатор; металл разогревается выделенным теплом, образуя ядро литого металла. Ток выключают, увеличивают сдавливание, после затвердевания жидкого металла происходит сваривание в районе литой точки (рис. 1.6).
|
|
|
Рис. 1.6. Контактная точеная сварка: |
|
1 – электроды; 2 – свариваемые детали; 3 – сварочный трансформатор; 4 – контактор; 5 – сварная точка |
