Конструирование и расчет балочной клетки и колонны при проектировании рабочей площадки производственного зданияРефераты >> Строительство >> Конструирование и расчет балочной клетки и колонны при проектировании рабочей площадки производственного здания
Принимаем к дальнейшей разработке нормальный тип балочной клетки:
– настил железобетонный, толщиной tн = 10 см;
– балки настила стальные с шагом а1 = 1,5 м. 5. Расчет главной балки
Сечение сварной балки двутавровое симметричное, составленное из трех металлопрокатных листов. Выбираю сталь С 345, с расчетным сопротивлением Ry = 300 МПа (толщина проката 20÷40 мм).
5.1 Определение усилий
При частом расположении балок настила (шаг а1 = 1,5 м < l/5 = 15/5 = 3 м) сосредоточенную нагрузку, передаваемую на главную балку от балок настила, заменяем равномерно распределенной нагрузкой.
Расчетная схема главной балки представлена на рис.5.
Рис. 6. Расчетная схема главной балки
Нормативная нагрузка
.
Расчетная нагрузка
где b = 9 м – шаг главных балок.
Расчетный изгибающий момент в середине пролета
Нормативный изгибающий момент
Расчетная поперечная сила в опорном сечении
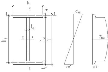
5.2Компоновка сечения
Рис. 7. Сечение главной балки
Балку рассчитываем в упругой стадии работы. Из условия прочности требуемый момент сопротивления балки
,
где Ry = 300 МПа при толщине проката более 20 мм;
Назначаем высоту сечения балки h, которая определяется максимально допустимым прогибом балки, связанным с жесткостью балки, экономическими соображениями и строительной высотой перекрытия Н, т.е. разностью отметок верха настила и верха габарита помещения под рабочей площадкой. Минимальная высота из условия жесткости
где fu = l/225 = 0,0044 при пролете l = 15 м – предельный прогиб главной балки.
Высота разрезной главной балки принимается в пределах (1/10…1/13)l = =(1,5…1,15 м). Предварительно принимаем высоту балки h = 1,5 м.
Оптимальная высота балки из условия наименьшего расхода стали
здесь tw – толщина стенки балки, предварительно определяемая по эмпирической зависимости tw = 7 + 3h/1000 = 7 + 3·1500/1000 = 11,5 мм.
Принимаем tw = 12 мм.
Максимально возможная высота балки
hстр = H – (tн + hбн + Δ) = (1080 –800) – (10 + 49,6 + 14) = 206,4 см, где Δ= fu + (30 …100 мм) = 6,67 + 7,33 = 14 см – размер, учитывающий предельный прогиб балки fu = 6,67 см и выступающие части, расположенные ниже нижнего пояса балки (толщина стыковых накладок, болты, элементы связей т.п.).
Требуемая площадь пояса
Ширина пояса bf = h/3 = 150/3 = 50 см.
Толщина пояса tf =
/ bf = 115,23/50 = 2,3 см.
Сравнивая полученные данные, окончательно назначаем высоту балки h = 1550 мм. Приняв толщину поясов tf = 25 мм, ширину поясов bf = 530 мм, стенку выполняем из листовой горячекатаной стали по ГОСТ 19903–74 высотой hw = 1500 мм и толщиной tw = 12 мм.
Проверяем необходимость постановки продольных ребер жесткости. Условная гибкость стенки
следовательно, продольные ребра жесткости не требуются.
Проверяем местную устойчивость сжатого пояса, для чего отношение свеса пояса
= (530–12)/2 = 259 мм к его толщине tf должно быть не более предельного, определяемого по СНиП [1],
Условие выполняется.
5.3 Проверка прочности принятого сечения балки
По назначенным размерам вычисляем фактические геометрические характеристики сечения:
– момент инерции
– момент сопротивления
– площадь сечения
По найденной площади A и плотности стального проката ρ = 7850 кг/м3 определяем вес 1 пог. м балки
где k = 1,1 – конструктивный коэффициент, учитывающий увеличение веса балки за счет ребер жесткости, накладок и т.п.
Уточняем расчетные значения изгибающего момента M и поперечной силы Q с учетом собственного веса главной балки, для этого определяем:
– нормативную нагрузку
– расчетную нагрузку
– расчетный изгибающий момент
– нормативный изгибающий момент
– поперечную силу
Проверка прочности балки по нормальным напряжениям
Недонапряжение в балке составляет
что допустимо в составном сечении согласно СНиП [1].
Прочность балки обеспечена.
5.4 Изменение сечения балки по длине
Сечение составной балки, подобранное по максимальному изгибающему моменту в середине пролета, можно уменьшить в местах снижения моментов. Наибольший эффект дает симметричное изменение сечения на расстоянии x = l/6 от опор. Наиболее простым является изменение сечения за счет уменьшения ширины пояса (рис.7).
Рис. 8. Изменение сечения балки по длине
Стыкуем сжатый и растянутый пояса прямым сварным швом с выводом концов шва на подкладки с применением полуавтоматической сварки без использования физических способов контроля качества швов. Расчетное сопротивление таких сварных соединений при растяжении принимается пониженным
Для снижения концентрации напряжений при сварке встык элементов разной ширины на элементе большей ширины делаем скосы с уклоном 1:5. Определяем расчетный момент и перерезывающую силу на расстоянии
