Конструирование и расчет балочной клетки и колонны при проектировании рабочей площадки производственного зданияРефераты >> Строительство >> Конструирование и расчет балочной клетки и колонны при проектировании рабочей площадки производственного здания
5.10.2 Монтажный стык на высокопрочных болтах
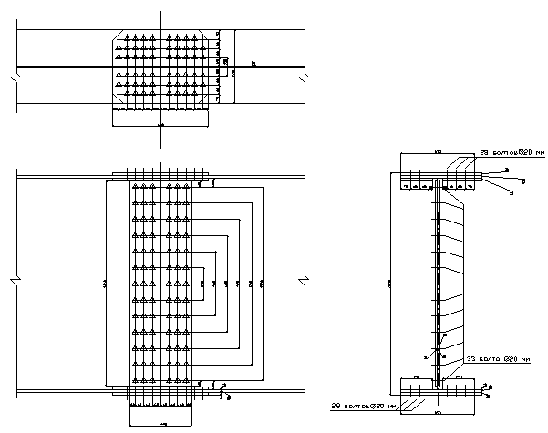
Монтажные стыки на высокопрочных болтах выполняются с накладками: по три на каждом поясе и по две на стенке (рис.15).
Стык осуществляем высокопрочными болтами db = 20 мм из стали 40Х «селект», имеющей наименьшее временное сопротивление
.
Способ регулирования натяжения высокопрочных болтов принимаем по M (моменту закручивания). Расчетное усилие Qbh, которое может быть воспринято каждой поверхностью трения соединяемых элементов, стянутых одним высокопрочным болтом, определяется по формуле
где
– расчетное сопротивление растяжению высокопрочного болта;
– площадь сечения нетто болта db = 20 мм.
– коэффициент трения, принимаемый в зависимости от обработки поверхности по [1,табл.36*] (принят газопламенный способ обработки поверхностей);
– коэффициент надежности, принимаемый при статической нагрузке и разности номинальных диаметров отверстий и болтов
с использованием регулирования натяжения болтов по М при газопламенном способе обработки поверхностей;
gb – коэффициент условий работы соединения, зависящий от количества болтов n, необходимых для восприятия расчетного усилия, и принимаемый равным 1,0 при n ³ 10.
Определяем
Расчёт стыков поясов и стенки производим раздельно. Приравнивая кривизну балки в целом
, где r – радиус кривизны, кривизне ее составляющих: стенки Mw /(EIw) и поясов Mf /(EIf), находим изгибающие моменты в стенке Mw и поясах Mf, которые распределяются пропорционально их жесткостям, соответственно EIw и ЕIf. Момент инерции стенки
момент инерции поясов
Изгибающий момент в стенке
Изгибающий момент в поясах
Расчет стыка пояса. Расчетное усилие в поясе определяется по формуле
Количество болтов n на каждую сторону от центра стыка балки для прикрепления накладок пояса определяем по формуле
где ks = 2 – количество поверхностей трения соединяемых элементов.
Принимаем 28 болтов и размещаем их согласно рис.15.
Диаметр отверстия d под болт делается на 3 мм больше db. Назначаем отверстие d = 23 мм.
Минимальное расстояние между центрами болтов (шаг болтов) аmin в расчетных соединениях определяется условиями прочности основного металла, принимается в любом направлении равным amin = 2,5d = 2,5·23 = 57,5 мм.
Принимаем а = 60 мм.
Рис. 15. Монтажный стык главной балки на высокопрочных болтах
Максимальное расстояние между болтами определяется устойчивостью сжатых частей элементов в промежутках между болтами (в крайних рядах при отсутствии окаймляющих уголков amax ≤ 12t = 12*14 = 168 мм, где t – толщина наиболее тонкого наружного элемента), и условием плотности соединения
Минимальное расстояние от центра болта до края элемента для высокопрочных болтов в любом направлении усилия
Принимаем с = 50 мм.
Ширина верхней накладки пояса bnf принимается равной ширине пояса
bf = 530 мм; ширина каждой нижней накладки пояса
Требуемая площадь сечения накладки определится
Толщина каждой накладки пояса определяется
Принимаем верхнюю накладку из листа 680´530´14 мм площадью сечения Аnf = 74,2 см2; и две нижних из листа 680´230´14 мм с площадью сечения
Суммарная площадь накладок
Горизонтальные болты располагаем в 6 рядов на одной полунакладке.
Две вертикальные накладки, перекрывающие стенку балки, по длине (высоте) выполняются с учетом расстояния между краем накладки и поясом, которое включает в себя толщину горизонтальных поясных накладок tnf и конструктивный зазор D = 6…15 мм
Толщина одной вертикальной накладки tnw принимаем равной толщине стенки tw за вычетом 2 мм. tnw = 10 мм.
Максимальное расстояние между крайними горизонтальными рядами болтов с учетом с = 50 мм
Расчет стыка стенки. Расчетный момент, приходящийся на стенку, уравновешивается суммой внутренних пар усилий, действующих на болты. Максимальное горизонтальное усилие Nmax от изгибающего момента, действующее на каждый крайний наиболее напряженный болт, не должно быть больше несущей способности Qbh.
Условие прочности соединения
где ai – соответствующие расстояния между парами сил, возникающих в болтах (рис.14);
m – число вертикальных рядов болтов на полунакладке.
Для определения числа рядов болтов по вертикали k и назначения их шага а вычисляем коэффициент стыка
Находим число рядов при a = 2,19 по таблице.
Принимаем k = 11 и a = 2,2 > 2,19.
Определяем шаг болтов по вертикали
Необходимо увеличивать количество болтов в одном вертикальном ряду, т.к. а = 136 мм > 12tnw = 120 мм. Принимаю k = 13,
Шаг a округляется до 5 мм и он укладывается целое число раз в расстоянии между крайними рядами болтов amax. Окончательно принимаем 13 рядов болтов по высоте с шагом а = 115 мм.
Проверяем стык стенки
Условие выполняется.
6. Расчет колонн
Рассчитываются центрально-сжатые сквозные колонны. Стержень сквозной колонны состоит из двух ветвей (прокатных двутавров), связанных между собой соединительной решеткой в виде планок, которые обеспечивают совместную работу ветвей.
