Конструирование и расчет балочной клетки и колонны при проектировании рабочей площадки производственного зданияРефераты >> Строительство >> Конструирование и расчет балочной клетки и колонны при проектировании рабочей площадки производственного здания
где gс = 1 – коэффициент условий работы по [1,табл.6].
Предельная гибкость колонны
где
–
коэффициент, учитывающий недонапряжение колонны.
Условие выполняется.
Расчет колонны на устойчивость относительно свободной оси y-y
Коэффициент μy = 2 (принята расчетная схема «консоль»)
Подбор сечения колонн относительно оси y-y производится из условия ее равноустойчивости (равенства гибкости λx относительно x-x и приведенной гибкости λef относительно оси y-y), которое достигается за счет изменения расстояния между ветвями bo.
Приведенная гибкость lef определяется по [1,табл.7] для колонны с планками
при
Приравнивая
находим требуемое значение гибкости относительно свободной оси
Задаюсь
По λy находим радиус инерции
Воспользовавшись приближенными значениями радиусов инерции по [6,табл.11], определяем ширину сечения
Принимаем b = 900 мм.
Расстояние в свету между полками двутавров
Расстояние между ветвями увеличивать не требуется.
Проверка колонны на устойчивость относительно оси у-у.
До проверки устойчивости колонны нужно скомпоновать сечение стержня, установить расстояние между планками, запроектировать планки, определить их размеры.
Расчетная длина ветви
Принимаем расстояние в свету между планками lob = 126 см.
Длина планки bпл принимается равной расстоянию в свету между ветвями плюс напуск на ветви по 30 мм
Высоту планок hпл устанавливают в пределах (0,5…0,8)b=450…720 мм, где b = 900 мм – ширина сечения. Принимаем hпл = 540 мм.
Толщина планок принимается по условиям местной устойчивости и должна быть
.
Окончательно принимаем планку из листа 760´540´20 мм.
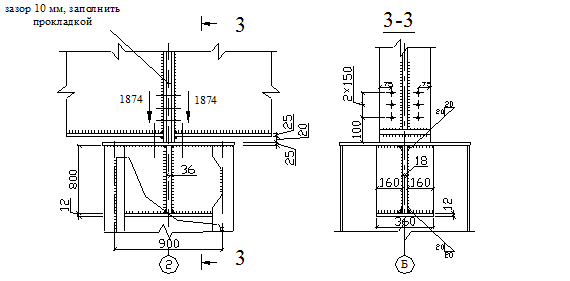
Все найденные размеры отражены на рис.16.
Рис. 16. Составной стержень колонны на планках
Момент инерции стержня относительно оси у-у
Радиус инерции
Гибкость
Для вычисления приведенной гибкости λef относительно свободной оси проверяется отношение погонных жесткостей планки и ветви
где
Приведенная гибкость
По [1,табл.72] в зависимости от lef находим коэффициент продольного изгиба j = 0,848.
Производим проверку
Устойчивость обеспечена.
Недонапряжение составило
6.3 Расчет планок
Расчет соединительных планок сжатых составных стержней выполняется на условную поперечную силу Qfic, принимаемую постоянной по всей длине стержня колонны и определяемую по формуле
где j = 0,848 – коэффициент продольного изгиба, принимаемый для составного стержня в плоскости соединительных элементов.
Поперечная сила, приходящаяся на планку одной грани
Сдвигающая сила в месте прикрепления планки к ветви колонны
Момент, изгибающий планку в ее плоскости,
Приварку планок толщиной tпл = 20 мм к полкам швеллеров производим полуавтоматической сваркой, принимая катет сварного шва kf = 6 мм.
Учитывая, что несущая способность планки больше, чем несущая способность сварного шва с катетом kf ≤ tпл, достаточно проверить прочность сварного шва. Расчет производится на равнодействующую напряжений в шве от изгибающего момента M1 и поперечной силы F.
Так как для полуавтоматической сварки
прочность шва проверяем по металлу шва.
– расчетная длина шва
– момент сопротивления расчетного сечения шва
Напряжение от изгиба
Напряжение от поперечной силы
где.
Проверяем прочность шва
Прочность обеспечена.
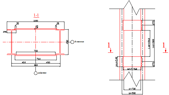
6.4 Конструирование и расчет оголовка сквозной колонны
Оголовок состоит из плиты и диафрагмы, подкрепленной горизонтальным ребром жесткости (рис.17).
Толщина диафрагмы td определяется расчетом на смятие от продольной силы N
где
– условная длина распределения нагрузки, равная ширине опорного ребра главной балки bh плюс две толщины оголовка колонны (ton принята 25 мм), за минусом толщины диафрагмы (≈2tw) и 40 мм для пропуска швов.
Принимаем td = 36 мм.
Рис. 17. Оголовок сквозной колонны
Высота диафрагмы определяется из условия среза стенок ветвей колонны (tw = 8,8 мм – толщина стенки для принятого двутавра 50Б1).
Принимаем hd = 80 см.
Проверяем диафрагму на срез как короткую балку
