Конструирование и расчет балочной клетки и колонны при проектировании рабочей площадки производственного зданияРефераты >> Строительство >> Конструирование и расчет балочной клетки и колонны при проектировании рабочей площадки производственного здания
Определяем требуемые:
–момент сопротивления измененного сечения, исходя из прочности сварного стыкового шва, работающего на растяжение,
Требуемая площадь пояса
Толщина пояса bf1 =
/ tf = 74,08/2,5 = 29,63 см.
По конструктивным требования ширина пояса должна отвечать условиям:
–
–
–
По сортаменту принимаем измененный пояс из универсальной стали сечением 300´25 мм, площадью
Вычисляем геометрические характеристики измененного сечения:
– момент инерции
– момент сопротивления
– статический момент пояса относительно нейтральной оси х-х
– статический момент половины сечения относительно оси х-х
Производим проверку прочности балки в месте изменения ее сечения в краевом участке стенки на уровне поясных швов на наиболее неблагоприятное совместное действие нормальных и касательных напряжений, для чего определяем:
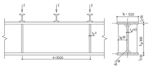
Рис. 9. К проверке прочности балки
– нормальные напряжения
– касательные напряжения
– приведенные напряжения
где 1,15 – коэффициент, учитывающий локальное развитие пластических деформаций в стенке балки.
Проверка прочности на срез по касательным напряжениям
Прочность балки обеспечена.
5.5 Проверка общей устойчивости балки
Общая устойчивость балки считается обеспеченной при передаче нагрузки через сплошной жесткий настил, непрерывно опирающийся на сжатый пояс балки и надежно с ним связанный, а также, если соблюдается условие: отношение расчетной длины балки lef к ширине сжатого пояса bf не превышает критическое, определяемое по формуле
где lef = 1,5 м – расстояние между точками закрепления сжатого пояса от поперечных смещений, равное шагу балок настила a1.
В середине пролета балки
В месте уменьшения сечения балки
Устойчивость балки обеспечена.
5.6 Проверка местной устойчивости элементов балки
5.6.1. Проверка местной устойчивости сжатого пояса не требуется, так как она была обеспечена надлежащим выбором отношения свеса пояса к толщине (см.п.5.2).
5.6.2. Проверка местной устойчивости стенки балки
Определяем условную гибкость стенки
,
следовательно, поперечные ребра жесткости необходимы. Расстояние между основными поперечными ребрами a не должно превышать 2hw при `lw > 3,2. Расстояние между ребрами назначаем
, что увязывается с шагом балок настила.
Рис. 10. Схема балки, укрепленная поперечными ребрами жесткости
Ширина выступающей части парного ребра
Толщина ребра
Принимаем ребро жесткости из полосовой стали 90´7 мм. Ребра жесткости привариваются к стенке непрерывными угловыми швами минимальной толщины. Торцы ребер должны имеют скосы с размерами 30´30 мм.
Т.к.
, то требуется проверка стенки на местную устойчивость.
Проверяем местную устойчивость стенки в среднем отсеке (рис.11).
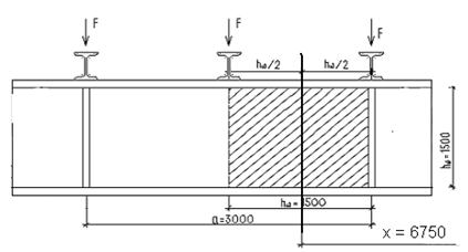
Так как а = 3 м > hw = 1,5 м, определяем Mср и Qср по середине условного отсека шириной, равной половине высоты стенки hw, для чего вычисляем величины моментов и поперечных сил в середине расчетного участка (хср = 6,75 м) :
Рис. 11. К проверке местной устойчивости стенки в среднем отсеке
Краевое напряжение сжатия в стенке
Среднее касательное напряжение в отсеке
Критическое нормальное напряжение
где cсr – коэффициент, определяемый по [1, табл.21] в зависимости от значения коэффициента
который учитывает степень упругого защемления стенки в поясах;
Коэффициент cсr = 33,6614 (определен линейной интерполяцией).
.
Критическое касательное напряжение определяется по формуле
где
здесь d – меньшая из сторон отсека
следовательно,
– отношение большей стороны отсека к меньшей.
Рис. 12. Поэтажное сопряжение балок
где F– расчетное значение сосредоточенной силы, при поэтажном сопряжении балок равное двум реакциям от балок настила
F=2Qmax=2·184,374=368,75 кН;
условная длина распределения сосредоточенной нагрузки (b = 200 мм – ширина пояса балки настила; tf = 25 мм – толщина верхнего пояса главной балки).
