Проектирование металлического каркасаРефераты >> Строительство >> Проектирование металлического каркаса
План
1 Компоновка поперечной рамы здания
2 Вычисление величин нагрузок
2.1 Нагрузки от собственного веса конструкций здания
2.2 Нагрузка от стенового ограждения при навесных панелях
2.2.1 Эксцентриситет стенового ограждения верхней и нижней частей колонны
2.3 Снеговая нагрузка
3 Статический расчет поперечной рамы
4 Расчет ступенчатой колонны производственного здания
4.1 Расчет верхней части колонны
4.1.1 Определение расчетных длин колонны
4.1.2 Подбор сечения верхней части колонны
4.1.3 Проверка устойчивости верхней части колонны в плоскости действия момента
4.1.4 Проверка устойчивости верхней части колонны из плоскости действия момента
4.2 Подбор сечения нижней части колонны
4.2.1 Проверка устойчивости ветвей
4.2.2 Расчет решетки подкрановой части колонны
4.2.3 Проверка устойчивости колонны в плоскости действия момента как единого стержня
4.3 Узел сопряжения верхней и нижней частей колонны
4.4 Расчет и конструирование базы колонны
4.5 Расчет траверсы
4.6 Расчет анкерных болтов
4.6 Расчет анкерной плитки
5 Расчет фермы в осях А-Б
5.1 Геометрические размеры и расчётная схема фермы
5.2 Узловые нагрузки
5.3. Статический расчёт
5.4 Расчёт стержней на прочность и устойчивость
5.5 Набор сечений стержней
5.6 Подбор сечений стержней
5.7 Расчет длин швов
5.8 Расчет и конструирование узлов фермы
5.8 1 Нижний опорный узел
5.8.2 Верхний опорный узел
5.8.3 Промежуточный узел
6.Расчет подкрановой балки
6.1 Статический расчет
6.1.1 Определение расчетных усилий от колес кранов
6.1.2 Определение критического груза
6.1.3 Определение расстояний от колес до опор балки
6.1.4 Проверка правильности расстановки колес на балке
6.1.5 Определение наибольшего изгибающего момента
6.1.6 Определение наибольшей поперечной силы
6.1.7 Определение изгибающего момента и поперечной силы в ПБ от сил торможения
6.2 Подбор сечения подкрановой балки
6.2.1 Определение высоты подкрановой балки
6.2.2 Определение размеров поясов
6 2.3 Выбор элементов тормозной балки
6.2.4 Определение геометрических характеристик подкрановых конструкций
6.2.5 Соединение поясов со стенкой
6.2.6 Проверка общей устойчивости балки
6.2.7 Проверка местной устойчивости стенки ПБ
6.2.8 Расчет опорной части балки
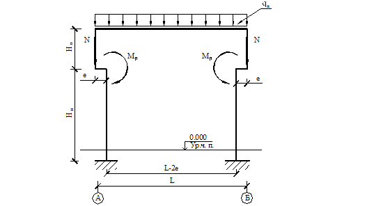
1. Компоновка поперечной рамы здания
Геометрическая схема поперечной рамы здания представлена на рисунке 1.1.
Рис. 1.1 Геометрическая схема поперечной рамы
Таблица 1.1.
|
Обозначения по рис. 1.1. |
Формулы вычисления, мм. |
|
H2 |
|
|
H |
|
|
h2 |
|
|
h1 |
|
|
h |
|
|
H0 |
|
|
B0 |
|
|
Bv |
|
|
λ |
|
|
Bн |
|
|
Lk |
|
2 Вычисление величин нагрузок.
2.1 Нагрузки от собственного веса конструкций здания.
Расчетная схема поперечной рамы здания на постоянную нагрузку представлена на рисунке 2.1.
Рис 2.1. Расчетная схема рамы на постоянную нагрузку
Таблица 2.1.
|
№ п/п |
Элементы покрытия |
Ед. Изм. |
Нормативная нагрузка |
Коэффиц. надёжности по нагрузке |
Расчет. нагрузка |
|
1 |
Защитный слой, t = 20 мм |
|
0,42 |
1,3 |
0,55 |
|
2 |
Гидроизоляционный ковер |
|
0,2 |
1,3 |
0,26 |
|
3 |
Утеплитель (пенопласт) t = 50 мм |
|
0,03 |
1,3 |
0,04 |
|
4 |
Пароизоляция (1 слой рубероида) |
|
0,04 |
1,3 |
0,05 |
|
5 |
Стальной профилированный лист |
|
0,14 |
1,05 |
0,15 |
|
6 |
Стальные прогоны |
|
0,2 |
1,05 |
0,2 |
|
7 |
Стропильные фермы |
|
0,3 |
1,05 |
0,3 |
|
8 |
Связи по покрытию |
|
0,06 |
1,05 |
0,07 |
|
9 |
Промышленные проводки |
|
0,3 |
1,3 |
0,5 |
|
1,39 |
1,62 | ||||
|
Другие элементы | |||||
|
10 |
Верхняя часть колонны |
|
15 |
1,05 |
15,75 |
|
11 |
Нижняя часть колонны |
|
60 |
1,05 |
63 |
|
12 |
Связи между колоннами |
|
0,05 |
1,05 |
0,05 |
|
13 |
Подкрановые конструкции |
|
40 |
1,05 |
42 |
|
14 |
Трёхслойные металлические навесные панели t = 130 – 150 мм |
|
0,4 |
1,05 |
0,4 |
|
15 |
Ленточное остекление с одинарным переплётом |
|
0,4 |
1,1 |
0,5 |
|
16 |
Стойки торцевого фахверка |
|
30 |
1,05 |
31 |
