Проектирование металлического каркасаРефераты >> Строительство >> Проектирование металлического каркаса
5.5. Подбор сечений стержней
Подберем сечения стержней для первой панели.
Таблица5.6.
5.7 Расчет длин швов
Таблица5.8.
5.8 Расчет и конструирование узлов фермы
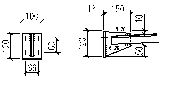
5.8.1 Нижний опорный узел
Толщину фасонок фермы принимаем в зависимости от усилий в опорном раскосе [1, табл. 9.2.]
; фасонка опорного узла
Торцевой лист принимаем толщиной 20 мм и шириной 180 мм, из условия размещения болтов. Напряжение смятия у торца:
где
- величина опорной реакции фермы
Толщина швов крепления опорного раскоса (Р-1) назначаем: на обушке 8мм, на пере 6 мм (их длины приведены в таблице 5.8.) То же для нижнего пояса (Н-1).
По требуемым расчетным длинам швов с учетом конструктивных требований (добавки 1 см длины на непровар и зазор между швами) намечаем графически конфигурацию и размеры опорной части фасонки.
Проверяем опорную фасонку на срез, а также швы ее крепления к торцовому листу (толщину швов назначаем 6мм):
Рис.5.2. Нижний опорный узел фермы
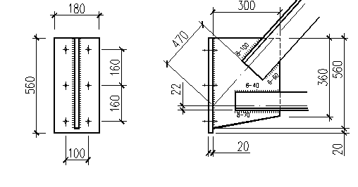
5.8.2 Верхний опорный узел
Рис.5.3. Верхний опорный узел фермы
При проектировании жесткого верхнего опорного узла, толщина фланца принимается
, расстояние между болтами b назначают минимальным и крепление необходимо рассчитать на силу N.
Момент при изгибе фланца определяется как в защемленной балке пролетом b, равным расстоянию между болтами:
напряжение в нем определяется по формуле:
где a и
длина и толщина фланца.
Количество болтов определяется по формуле:
Принимаем 4 болта Æ16 мм.
Обычно стремятся запроектировать верхний узел так, чтобы линия действия силы N проходила через центр фланца. В этом случае напряжение в швах, прикрепляющих фланец к фасонке, проверяют по формуле:
Шов крепления фланца к фасонке работает на срез и его длину определяют по формуле:
bf=0,7, bz=1,0, принимается по табл. 34 [5],
gwf=gwz=1, принимается по п.п. 11.2 [5].
Для сварки принимаем электроды типа Э46 по ГОСТ 9467-75, табл. 55 [5].
Rwf=20 кН/см2, по табл. 56 [5], Rwz=0,45∙Run=0,45∙37=16,7 кН/см2.
см
5.8.3 Промежуточный узел
Толщину фасонок фермы принимаем в зависимости от усилий в промежуточном узле [1, табл. 9.2.]
. Промежуточный узел фермы показан на рис. 5.4.
Рис. 5.4. Промежуточный узел фермы
Длина швов, прикрепляющих раскосы и стойки к фасонке, определяются по формулам
;
и приведены в таблице 5.8.
Так как к узлу приложена сосредоточенная нагрузка то швы прикрепляющие накладку (
; сечение накладки 150х10) к поясам воспринимают равнодействующее усилие от сосредоточенной силы и разности усилий в смежных панелях и возникающие напряжения в швах проверяются по формуле:
F – сосредоточенная узловая нагрузка (см. табл.5.1) F=29,16+38,4=67,56кН
Σkш·lш= 0,08· (2·0,25+0,65)=0,12м2 – суммарная площадь швов, крепящих накладку к поясам
Усилие действующее в накладке:
Расчетным усилием для швов, прикрепляющих левые уголки пояса к фасонке, будет большее из:
Расчетным усилием для швов, прикрепляющих правые уголки пояса к фасонке, будет большее из:
Длины швов, прикрепляющих верхний пояс к фасонке приведены в таблице 5.8.
Конструктивно длина швов прикрепляющих пояса к фасонке принята по всей длине фасонки.
6 Расчет подкрановой балки
6.1 Статический расчет
6.1.1 Определение расчетных усилий от колес кранов
Таблица 6.1. - Технические характеристики крана.
|
Пролет балки |
Грузоподъемность крана, Qкр |
Пролет крана, Lкр |
Ширина крана, В |
Расстояние между колесами |
Давление колес Р1н |
Вес тележки, gт |
Вес крана, общий |
Режим работы |
Коэффициент надежности по нагрузке |
Коэффициент сочетания |
|
м |
кН |
м |
м |
м |
кН |
кН |
кН |
jf |
Кс | |
|
6 |
800 |
21,5 |
9,35 |
1,575 0,8 4,6 0,8 1,575 |
370 |
380 |
1100 |
7к |
1,1 |
0,85 |
