Курс обучения электромонтажника по силовым сетям и электрооборудованиюРефераты >> Технология >> Курс обучения электромонтажника по силовым сетям и электрооборудованию
141
управление микроклиматом каждого помещения. Они не потребляют кислород из воздуха и не выделяют продуктов сгорания.
Наиболее распространенным электроотопительным прибором являются камины настенного (ЭКС), напольного (ЭКП) и универсального (ЭКУ) исполнения. Они создают комфортные условия в небольшой зоне. Промышленность выпускает около 30 видов каминов, отличающихся друг от друга внешним видом, конструкцией, типом нагревательного элемента, формой отражателя, наличием и числом ступеней регулирования мощностей. Мощность выпускаемых каминов от 0,5 до 1,5 кВт, масса от 1,0 до 32 кг.
Маслонаполненные электрорадиаторы бывают панельные и секционные. Электрорадиаторы снабжены автоматическим устройством для поддержания заданной температуры. Мощность приборов от 0,5 до 1,5 кВт. Промышленностью выпускаются панельные электрорадиаторы типа ЭРМБ-0,5/220, ЭРМБ-0,75/220, ЭРМБ-1,0/220, ЭРМБ- 1,25/220 с бесступенчатым регулированием мощности и секционные радиаторы типа ЭРМС- 1,0/220 и ЭРМС-1,25/220 со ступенчатым регулированием мощности. У всех радиаторов нагревательные элементы несменяемые, только один радиатор ЭРМС-1,0/220 имеет сменный нагревательный элемент.
Электроконвекторы при соблюдении определенных требований безопасности можно использовать для сушки грибов, фруктов и белья. Промышленность выпускает электровентиляторы «Крым-1» ЭПВС-0,75/220, «Крым-2» ЭПВС-1,0/220, «Комфорт-2» ЭВУ- 1,25/220, «Поток-4» ЭВУС-1,25/220, «Салют» ЭВПС-1,25/220. Мощности, указанные в маркировке, соответственно равны 0,75; 1,0; 1,25 кВт.
Кондиционеры. Выпускаются также комбинированные отопительные приборы, сочетающие в себе элементы каминов и конвекторов - «Уголек-2», «Мрия», «Салют-3,4» мощностью 1,25 кВт. Электрокамин-радиатор «Очаг» имеет мощность камина 1,0 кВт и радиатора 0,5 кВт.
|
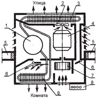
Рис. 48. Схема кондиционера воздуха для отдельных комнат: 1 - компрессор; 2,7 - вентиляторы; 3 - радиатор конденсатора; 4 - двигатель; 5 - окно из комнаты; 6 - заслонки; 8 панель управления; 9 - радиатор испарителя |
В последнее время широкое распространение получило применение в быту кондиционеров, например, типа БК-1500. Кондиционер - это аппарат для охлаждения воздуха в помещении летом и нагрева его зимой. Комнатные кондиционеры устанавливают обычно в вырезе окна (рис. 47). Компрессор (1) кондиционера и вентиляторы (2) и (7) приводятся в действие электродвигателем (4). Вентилятор (7) засасывает воздух из комнаты и прогоняет его через пластины радиатора-испарителя (9) снова в комнату. Благодаря этому в жаркое летнее время воздух в комнате охлаждается. Хладоагент в конденсаторе (3) охлаждается наружным воздухом. В случае необходимости может работать один вентилятор и через заслонки (6) вентилировать помещение. При помощи приборов панели управления (8) можно задать тот или иной режим работы кондиционера: летом на охлаждение воздуха в помещении, зимой на подогрев.
Широко применение электроэнергии на кухне для приготовления пищи и обработки продуктов питания. Электроплита - наиболее энергоемкий и универсальный прибор. Электроплиты различаются по принципу преобразования электрической энергии в тепловую (с нагревом со про тивления и индукционные), по назначению (переносные и стационарные), по использованию (настольные и напольные), по способу установки в комплекте с кухонной мебелью (встраиваемые, блочно-встраиваемые), по степени автоматизации (полуавтоматические, автоматические), по числу конфорок (двух-, трех- и четырехконфорочные). Конструкция традиционной электроплиты в общих чертах аналогична конструкции газовой плиты.
Электроплиты предназначены для включения в сеть переменного тока напряжением 220 В или трехфазного тока напряжением 380/220 В. Установленная мощность отечественных электроплит - до 8 кВт, а зарубежных - от 3,6 до 17 кВт. Основные марки напольных (стационарных) плит: «Лысьва-6», «Лысьва-8», «Лысьва-9», «Лысьва-10», «Томь» - имеют три конфорки мощностью от 800 до 1500 Вт, жарочного шкафа 1800 Вт.
Широкое распространение получили настольные (переносные) электроплиты «Тайга» и «Мечта», рассчитанные на включение в сеть однофазного переменного тока напряжением 220 В. На корпусе электроплиты расположены одна или две конфорки, мощность которых регулируют позиционным переключателем. Наибольшая мощность - 2,2 кВт.
Электроплита «Тайга» имеет семипозиционный регулятор мощности конфорок в пределах 118-1200 Вт и пятипозиционный регулятор мощности жарочного шкафа в пределах 400-1600 Вт. У плиты «Мечта» пятипозиционные регуляторы мощности конфорок в пределах 250-1000 Вт и жарочного шкафа - 300-1400 Вт.
Электроприборы горячего водоснабжения (электронагреватели) выполняют как для непосредственного нагрева воды в потоке (без ее накапливания) - проточные, так и для нагрева соответствующих емкостей с водой - емкостные (не проточные).
Указанные приборы применяют там, где нет сетевого газа или установка огневых аппаратов нежелательна и неэкономична. Достоинство электроводонагревателей - возможность полной автоматизации управления приборами, в том числе получение воды заданной температуры с помощью автоматических смесителей, простота и безопасность обслуживания.
Проточные электронагреватели - это стационарные приборы для конвективного нагрева протекающей через них воды. Для обеспечения требуемой температуры нужны значительные электрические мощности. Например, чтобы обеспечить подачу струи воды, нагретой до 70 °С, с расходом 0,5 л/мин, требуется нагреватель мощностью не менее 3 кВт.
Проточный электронагреватель «Бира» ЭВН-2 обеспечивает нагрев воды с перепадом 30 °С и расходом 1 л/мин. Мощность потребления электроэнергии 2000 Вт. Снабжен регулятором температуры и расхода воды.
Емкостный электронагреватель типа УНС выпускается мощностью 1250 Вт. Емкость водонагревателя 10, 40, 60 и 100 л. Время нагрева до 85 °С - 1; 3,2; 4,8; 7,5 часов.
Быстродействующий настенный кухонный водонагреватель БАС-10 имеет емкость 10 л, полный объем воды нагревается до 86 °С за 55 мин. Мощность потребления 1 кВт.
Тема 8. Ручной и электрифицированный инструмент для производства электромонтажных работ.
Инструменты, приспособления, приборы
При устройстве электропроводок применяют различный инструмент в соответствии с выполняемым видом работ.
При монтаже электроустановочных изделий и проводок применяют слесарно-монтажный инструмент: плоскогубцы, круглогубцы, бокорезы (диагональные кусачки), набор различных отверток, клещи для снятия изоляции, ножницы для резки металла, керн, шило, нож, паяльник и т. д. Некоторые из вышеперечисленного приведены на рис. 27.
|
Инетрументдпя Диагональные Нои эачистуи концов к/сачки п ровод а Рис. 27. Инструмент электромонтажника |
